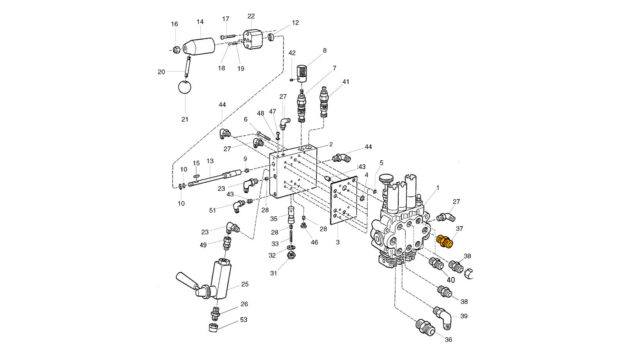
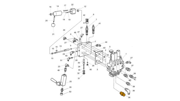
Check Valve (3716 4684-00)
Check Valve (3716 4684-00)Reference No: 43Manual Reference No: 43 Part No: 3716 4684-00Part manual no: 3716 4684-00 3716468400 Quantity: 2Total quantity in a set:2 pcs NotesSend an Inquiry Please kindly send us your inquiry from the form below. We will immediately fulfill your requirements.










